Końcówka oczkowa Al rurowa ARC 10-150, przekrój: 150mm2, otwór pod śrubę M10 | ARC_10-150/1 Erko
Końcówka oczkowa Al rurowa ARC 10-150, przekrój: 150mm2, otwór pod śrubę M10
Informacja o Produkcie
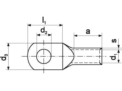
Opakowanie zbiorcze zawiera 10 szt.Aluminiowe końcówki rurowe są niezbędne przy licznych pracach elektrycznych. Służą do zakańczania żył aluminiowych okrągłych i sektorowych. Zastosowanie końcówek rurowych aluminiowych zmniejsza zjawisko przegrzewania się żył i izolacji przewodów, zwiększając tym samym bezpieczeństwo i trwałość połączenia. Aby trwale zaprasować końcówkę rurową aluminiową, należy zaprasować ją przy użyciu odpowiedniego narzędzia (w przypadku żył sektorowych należy najpierw przeformować żyłę na okrągło).
- Producent Erko
- Wymiary 0.032m x 0.022m x 0.102m
- Seria producenta ARC
Końcówka kablowa prasowana do przewodów aluminiowych
- Kształt przekroju Okrągły
- Przekrój nominalny przewodu aluminiowego 150 - 150
- Rozmiar gwintu metrycznego przyłącza 10
- Materiał Aluminium
- Do linki stalowo-aluminiowej Nie
- Szczelne Nie
- Liczba otworów montażowych 1
- Zgodne z DIN Nie
- Kolor Inne
Do pobrania
Wszystkie obrazy



















