Końcówka oczkowa Al rurowa ARC 8-25, przekrój: 25mm2, otwór pod śrubę M8 | ARC_25/1 Erko
Końcówka oczkowa Al rurowa ARC 8-25, przekrój: 25mm2, otwór pod śrubę M8
Informacja o Produkcie
Opakowanie zbiorcze zawiera 20 szt.
- Producent Erko
- Wymiary 0.058m x 0.012m x 0.019m
Końcówka kablowa prasowana do przewodów aluminiowych
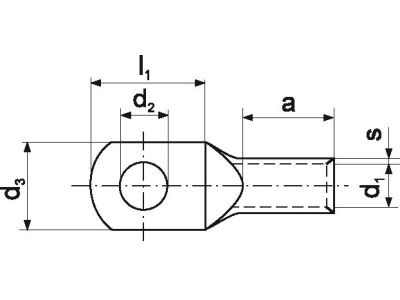
- Kształt przekroju Okrągły
- Przekrój nominalny przewodu aluminiowego 25 - 25
- Rozmiar gwintu metrycznego przyłącza 8
- Materiał Aluminium
- Do linki stalowo-aluminiowej Nie
- Szczelne Nie
- Liczba otworów montażowych 1
- Zgodne z DIN Nie
- Kolor Inne
Do pobrania
Wszystkie obrazy



















