Regulator współczynnika mocy DCRG8 | DCRG8 Lovato Electric
Regulator współczynnika mocy DCRG8
Informacja o Produkcie
- Producent Lovato Electric
- Wymiary 0.176m x 0.084m x 0.185m
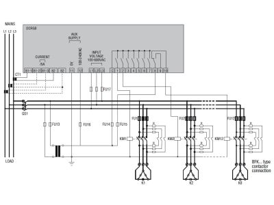
Przekaźnik kontroli współczynnika mocy (cos φ)
- Rodzaj połączenia elektrycznego Połączenie śrubowe
- Znamionowe napięcie sterowania Us dla AC 50 Hz 100 - 415 V
- Znamionowe napięcie sterowania Us dla AC 60 Hz 100 - 415 V
- Rodzaj napięcia sterowania AC
- Z odłączalnymi zaciskami Nie
- Zakres napięcia znamionowego 90 - 456 V
- Znamionowa częstotliwość pracy 45 - 65 Hz
- Liczba faz 3
- Liczba styków zwiernych 7
- Liczba styków przełącznych 1
- Szerokość 144 mm
- Wysokość 144 mm
- Głębokość 82 mm
Do pobrania
Wszystkie obrazy






















