AUX. SWITCH ON-DELAY UC24-240V 0.05-100S | 3RA2813-2FW10 Siemens
AUX. SWITCH ON-DELAY UC24-240V 0.05-100S
Informacja o Produkcie
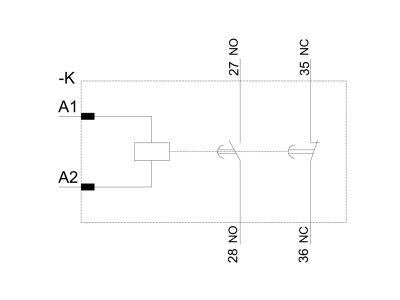
Alternatywny kod produktu: 3RA28132FW10Opóźniony elektronicznie łącznik pomocniczy 3RA28 do opóźnionego przełączania kolejnych obwodów prądowych do montażu na stycznikach 3RT2 i stycznikach pomocniczych 3RH2. Opóźniane elektronicznie łączniki pomocnicze oferują wysoką dokładność ustawienia dzięki przełączanym zakresom czasowym oraz zintegrowaną blokadę elektryczną i fabrycznie zintegrowany warystor (obwód ochronny). Łatwe i beznarzędziowe podłączanie umożliwia realizację niezależnych od sterowania funkcji czasu bez dodatkowego okablowania. Eliminuje to błędy okablowania i zmniejsza koszty testów. Mocowanie do urządzeń z przodu oszczędza miejsce na szynie montażowej. Urządzenia mogą być dzięki międzynarodowym aprobatom (np. IEC, CCC, UL/CSA) stosowane na całym świecie. Opóźniane elektronicznie łączniki pomocnicze są dostępne do styczników 3RT2 i łączników pomocniczych 3RH2 o wielkości od S00 do S3. Dostępne z elastycznym, szerokim zakresem napięcia AC/DC 24-240 V, wyjściami do wyboru 1NO + 1NC lub 1 zestyk przełączny oraz w technice przyłączy śrubowych lub sprężynowych. Do opóźnianych elektronicznie łączników pomocniczych dostępne są zestawy montażowe okablowania, jak również plombowana pokrywa. Przekaźniki SIRIUS – oferta na każdą sytuację.
- Producent Siemens
Moduł czasowy
- Funkcja przełączająca Opóźnienie po załączeniu
- Sposób/zasada działania Elektroniczny
Do pobrania
Wszystkie obrazy


