COUPL.CONT.RELAY,4NO,DC110V,SUPDIO | 3RH2140-2KF40 Siemens
COUPL.CONT.RELAY,4NO,DC110V,SUPDIO
Informacja o Produkcie
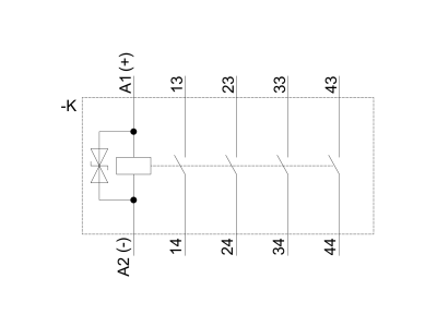
Alternatywny kod produktu: 3RH21402KF40Stycznik pomocniczy sprzęgający SIRIUS 3RH2 do przełączania sygnałów sterujących w obwodzie sterowniczym z możliwością bezpośredniego podłączenia do elektronicznych układów sterowania. Dołączane styczniki pomocnicze SIRIUS 3RH2 mają znormalizowane oznaczenia przyłączy i niezawodną i oszczędzającą czas technikę przyłączeniową. Za pomocą powielenia wyjść możliwe jest jednoczesne przełączanie wielu obwodów pomocniczych. Styki są dostępne z prowadzeniem wymuszonym dla aplikacji bezpieczeństwa, także jako warianty SUVA. Dołączane styczniki pomocnicze są odporne na wpływy klimatyczne, mają wysoką niezawodność styku i nadają się do użytku na całym świecie dzięki odpowiednim dopuszczeniom (np. IEC i UL/CSA). Są one dostępne z uruchamianiem AC lub DC oraz z technologią mocowania śrubowego lub sprężynowego. Kompleksowe akcesoria do styczników 3RT2 do wielkości od S00 do S3 mogą być używane również do dołączanych styczników pomocniczych 3RH2. Dołączane styczniki pomocnicze 3RH2 zastępują sprawdzoną serię 3RH1. Prosty, efektywny, zawsze aktualny – modułowy system SIRIUS.
- Producent Siemens
Stycznik pomocniczy
- Znamionowe napięcie sterowania Us dla DC 110 - 110 V
- Rodzaj napięcia sterowania DC
- Znamionowy prąd pracy Ie 3 A
- Sposób przyłączenia obwodu pomocniczego Zacisk sprężynowy
- Złącze (interfejs) Nie
- Liczba styków pomocniczych rozwiernych -99999
- Liczba styków pomocniczych zwiernych 4
- Liczba styków pomocniczych rozwiernych zwłocznych -99999
- Liczba styków pomocniczych zwiernych wyprzedzających -99999
- Ze wskaźnikiem LED Nie
- Liczba styków pomocniczych przełącznych -99999
Do pobrania
Wszystkie obrazy































