Przeglądarka z której korzystasz - Internet Explorer - nie jest wspierana przez nasz serwis. Żeby móc w pełni korzystać z serwisu zainstaluj inną przeglądarkę.
Konto Twojej firmy jest obecnie zablokowane. Żeby móc składać zamówienia skontaktuj się ze swoim opiekunem.

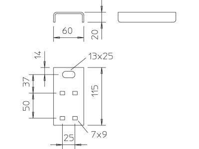
Element przyłączeniowy, korytka kablowe do podtrzymania funkcji 115x60x20, St, FT ABR FT | 6364942 Obo Bettermann

Rzeczywisty produkt może się różnić od pokazanego na zdjęciu
Producent
Obo Bettermann
Kod
1233139
EAN
4012196501731
Kod Producenta
6364942
Element przyłączeniowy, korytka kablowe do podtrzymania funkcji 115x60x20, St, FT ABR FT

Informacja o Produkcie

Do pobrania

Informacja o Produkcie

Alternatywny kod produktu: ABR FT

  • Producent Obo Bettermann
Materiał montażowy do kablowych systemów nośnych
  • Materiał Stal
  • Gatunek materiału Inne
  • Zabezpieczenie powierzchni Ocynk ogniowy zanurzeniowy
  • Kolor Brak
  • Stal nierdzewna Nie

Do pobrania

Wszystkie obrazy

Produkty, które mogą Cię zainteresować: