Kod
1169701
Kątownik redukcyjny/końcówka do korytka kablowego 60x150, St, DD RWEB 615 DD | 7106110 Obo Bettermann
Kątownik redukcyjny/końcówka do korytka kablowego 60x150, St, DD RWEB 615 DD
Informacja o Produkcie
Alternatywny kod produktu: RWEB 615 DD
- Producent Obo Bettermann
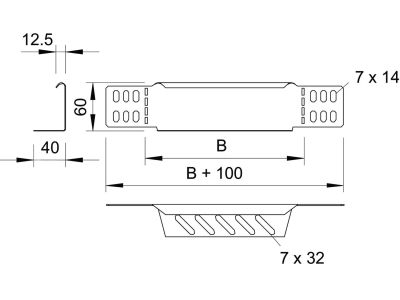
Zakończenie do korytka kablowego
- Nadaje się do korytka kablowego o wysokości 60 mm
- Nadaje się do korytka kablowego o szerokości 150 mm
- System utrzymania sprawności działania E30 Nie
- Materiał Stal
- Stal nierdzewna Nie
- Gatunek materiału Inne
- Zabezpieczenie powierzchni Inne
- Kolor Brak
Do pobrania
Wszystkie obrazy























