Końcówka oczkowa Al rurowa AR 16-300, przekrój: 300mm2, otwór pod śrubę M16 | AR_16-300/1 Erko
Końcówka oczkowa Al rurowa AR 16-300, przekrój: 300mm2, otwór pod śrubę M16
Informacja o Produkcie
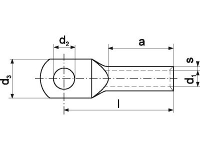
Alternatywny kod produktu: AR_16-300/1Aluminiowe końcówki rurowe są niezbędne przy licznych pracach elektrycznych. Służą do zakańczania żył aluminiowych okrągłych i sektorowych. Zastosowanie końcówek rurowych aluminiowych zmniejsza zjawisko przegrzewania się żył i izolacji przewodów, zwiększając tym samym bezpieczeństwo i trwałość połączenia. Aby trwale zaprasować końcówkę rurową aluminiową, należy zaprasować ją przy użyciu odpowiedniego narzędzia (w przypadku żył sektorowych należy najpierw przeformować żyłę na okrągło). Wykonanie: wymiary części rurowej wg DIN 46267 cz.2
- Producent Erko
- Seria producenta AR
Końcówka kablowa prasowana do przewodów aluminiowych
- Kształt przekroju Okrągły
- Przekrój nominalny przewodu aluminiowego 300 - 300
- Rozmiar gwintu metrycznego przyłącza 16
- Materiał Aluminium
- Do linki stalowo-aluminiowej Nie
- Szczelne Nie
- Liczba otworów montażowych 1
- Zgodne z DIN Tak
- Kolor Inne
Do pobrania
Wszystkie obrazy



















