Końcówka oczkowa Al rurowa ARC 8-240, przekrój:240mm2, otwór pod śrubę M8 | ARC_8-240/1 Erko
Końcówka oczkowa Al rurowa ARC 8-240, przekrój:240mm2, otwór pod śrubę M8
Informacja o Produkcie
Opakowanie zbiorcze zawiera 10 szt.
- Producent Erko
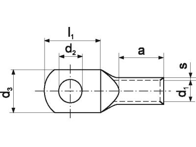
Końcówka kablowa prasowana do przewodów aluminiowych
- Kształt przekroju Okrągły
- Przekrój nominalny przewodu aluminiowego 240 - 240
- Rozmiar gwintu metrycznego przyłącza 8
- Materiał Aluminium
- Do linki stalowo-aluminiowej Nie
- Szczelne Nie
- Liczba otworów montażowych 1
- Zgodne z DIN Nie
- Kolor Inne
Do pobrania
Wszystkie obrazy



















