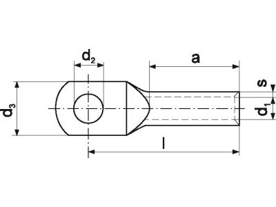
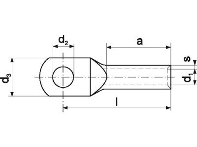
Końcówka rurowa AR 20-625, przekrój: 625mm2, otwór pod śrubę M20 | AR_20-625/1 Erko
Końcówka rurowa AR 20-625, przekrój: 625mm2, otwór pod śrubę M20
Informacja o Produkcie
Alternatywny kod produktu: AR_20-625/1
- Producent Erko
Końcówka kablowa prasowana do przewodów aluminiowych
- Kształt przekroju Okrągły
- Przekrój nominalny przewodu aluminiowego 625 - 625
- Rozmiar gwintu metrycznego przyłącza 20
- Materiał Aluminium
- Do linki stalowo-aluminiowej Nie
- Szczelne Nie
- Liczba otworów montażowych 1
- Zgodne z DIN Tak
- Kolor Inne
Do pobrania
Wszystkie obrazy



















