Końcówka śrubowa średnionapięciowa SKS 12-95240/1 | SKS_12-95240/1 Erko
Końcówka śrubowa średnionapięciowa SKS 12-95240/1
Informacja o Produkcie
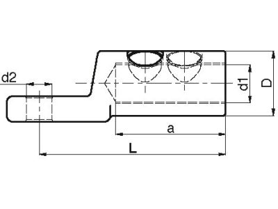
Alternatywny kod produktu: SKS_12-95240/1Wykorzystywane są do łączenia żył przewodów elektrycznych w odbiornikach energii elektrycznej, mają zastosowanie przy budowie linii elektroenergetycznych. Gwarantują trwałe i stabilne połączenia przewodów jedno i wielodrutowych. Ich innowacyjność polega przede wszystkim na tym, iż są alternatywą dla końcówek wymagających zaprasowywania. Przeznaczone są do pracy przy napięciu do 36 kV. Końcówki wykonane są z aluminium i cynowane w standardzie.
- Producent Erko
- Wymiary 0.072m x 0.042m x 0.156m
- Seria producenta SKS
Końcówka kablowa śrubowa
- Przekrój nominalny przewodu miedzianego 95 - 185
- Przekrój nominalny przewodu miedzianego 95 - 185
- Przekrój nominalny przewodu aluminiowego 95 - 185
- Przekrój nominalny przewodu aluminiowego 95 - 240
- Przekrój nominalny przewodu aluminiowego 95 - 185
- Przekrój nominalny przewodu aluminiowego 95 - 240
- Rozmiar gwintu metrycznego przyłącza 12
- Materiał przewodu Aluminium
- Zabezpieczenie powierzchni Cynowanie
Wszystkie obrazy



















