Końcówka śrubowa średnionapięciowa SKS 16-120300/1 | SKS_16-120300/1 Erko
Końcówka śrubowa średnionapięciowa SKS 16-120300/1
Informacja o Produkcie
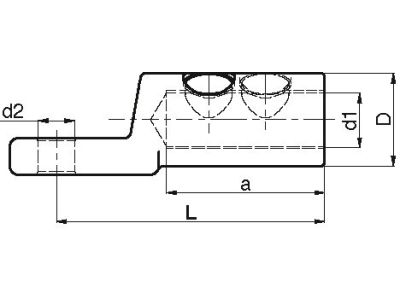
Alternatywny kod produktu: SKS_16-120300/1Śrubowa końcówka średnionapięciowa jest alternatywą dla technologii zaprasowywania. Podstawę technologii stanowią zrywalne śruby zapewniające uniwersalność i szybkość montażu. Cechą wyróżniającą jest możliwość zastosowania jednej złączki do przewodów o różnej budowie żyły i szerokim zakresie przekrojów.
- Producent Erko
- Seria producenta SKS
Końcówka kablowa śrubowa
- Przekrój nominalny przewodu miedzianego 120 - 300
- Przekrój nominalny przewodu miedzianego 120 - 240
- Przekrój nominalny przewodu aluminiowego 120 - 300
- Przekrój nominalny przewodu aluminiowego 120 - 300
- Przekrój nominalny przewodu aluminiowego 120 - 240
- Przekrój nominalny przewodu aluminiowego 120 - 300
- Rozmiar gwintu metrycznego przyłącza 16
- Materiał przewodu Aluminium
- Zabezpieczenie powierzchni Cynowanie
Do pobrania
Wszystkie obrazy



















