Korytko kablowe RKSM Magic, z szybkim łączem 60x150, St, FT RKSM 615 FT (3m) | 6047631 Obo Bettermann
Korytko kablowe RKSM Magic, z szybkim łączem 60x150, St, FT RKSM 615 FT (3m)
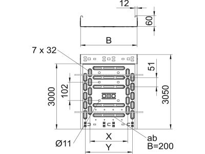
Informacja o Produkcie
Długość 3 m.Alternatywny kod produktu: RKSM 615 FT
- Producent Obo Bettermann
- Seria producenta RKSM-Serie
Korytko kablowe
- Wysokość 60 mm
- Szerokość 150 mm
- Grubość materiału 1 mm
- Długość 3050 mm
- Przekrój użyteczny 8800 mm²
- Perforacja boczna Tak
- Perforacja montażowa w części dolnej Tak
- Układ otworów montażowych NATO Nie
- Model Zintegrowany łącznik
- Model szerokorozpiętościowy Nie
- System utrzymania sprawności działania E30 Tak
- Materiał Stal
- Stal nierdzewna Nie
- Gatunek materiału Inne
- Zabezpieczenie powierzchni Ocynk ogniowy zanurzeniowy
- Kolor Brak
- Z pokrywą Nie
Do pobrania
Wszystkie obrazy
































