Korytko KBJ50H42/3, gr. blachy 1,0 mm (3m) | 142005 Baks
Korytko KBJ50H42/3, gr. blachy 1,0 mm (3m)
Informacja o Produkcie
Długość 3 m.Alternatywny kod produktu: KBJ50H42/3
- Producent Baks
- Wymiary 0.05m x 0.042m x 1m
- Seria producenta KBJ
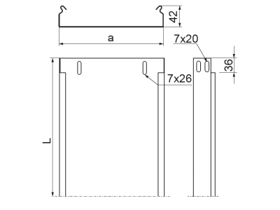
Korytko kablowe
- Wysokość 42 mm
- Szerokość 50 mm
- Grubość materiału 1 mm
- Długość 3000 mm
- Przekrój użyteczny 1900 mm²
- Perforacja boczna Nie
- Perforacja montażowa w części dolnej Nie
- Układ otworów montażowych NATO Nie
- Model Zintegrowany łącznik
- System utrzymania sprawności działania E30 Nie
- Materiał Stal
- Stal nierdzewna Nie
- Gatunek materiału Inne
- Zabezpieczenie powierzchni Ocynk ogniowy zanurzeniowy
- Kolor Brak
- Z pokrywą Nie
Do pobrania
Wszystkie obrazy
































