Korytko KST200H150/6 gr. blachy 3,0mm (6m) | 270221 Baks
Korytko KST200H150/6 gr. blachy 3,0mm (6m)
Informacja o Produkcie
Długość 6 m.Alternatywny kod produktu: KST200H150/6
- Producent Baks
- Seria producenta KST
Korytko kablowe
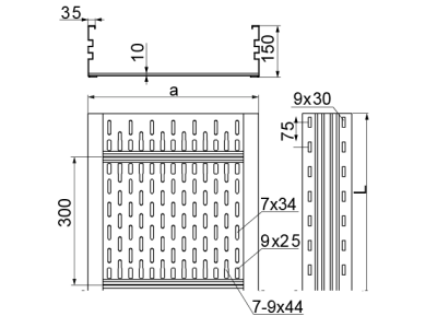
- Wysokość 150 mm
- Szerokość 200 mm
- Grubość materiału 3 mm
- Długość 6000 mm
- Przekrój użyteczny 9800 mm²
- Perforacja boczna Tak
- Perforacja montażowa w części dolnej Tak
- Układ otworów montażowych NATO Nie
- Model Bez łącznika
- Model szerokorozpiętościowy Tak
- System utrzymania sprawności działania E30 Nie
- Materiał Stal
- Stal nierdzewna Nie
- Gatunek materiału Inne
- Zabezpieczenie powierzchni Ocynk ogniowy zanurzeniowy
- Kolor Brak
- Z pokrywą Nie
Do pobrania
Wszystkie obrazy



































