Łącznik ceownika LCO3 gr. blachy 6,0mm | 667300 Baks
Łącznik ceownika LCO3 gr. blachy 6,0mm
Informacja o Produkcie
Opakowanie zbiorcze zawiera 50 szt.Alternatywny kod produktu: LCO3
- Producent Baks
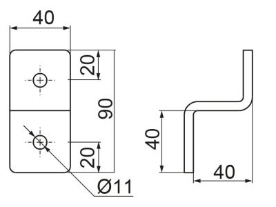
- Wymiary 0.05m x 0.01m x 0.1m
- Seria producenta LCO
Łącznik do wsporników/szyn profilowanych
- Model Element Z
- Kąt 90 °
- Materiał Stal
- Gatunek materiału Inne
Do pobrania
Wszystkie obrazy


































