Wyłącznik krańcowy, mikro, ze zderzakiem 16(4)A / 250V AC, 4,8x0,8 mm, IP00 | KW3-05 Tracon
Wyłącznik krańcowy, mikro, ze zderzakiem 16(4)A / 250V AC, 4,8x0,8 mm, IP00
Informacja o Produkcie
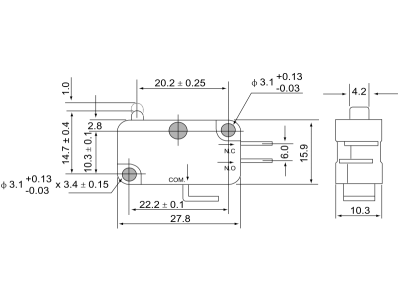
Produkt KW3-05 firmy Tracon Electric to mikro wyłącznik krańcowy ze zderzakiem, stosowany w układach sterowniczych i automatyki przemysłowej. Wyposażony jest w jeden styk przełączny typu CO, obsługujący prąd do 10 A przy 230 V AC oraz 0,3 A przy 250 V DC, a jego stopień ochrony wynosi IP00. Obudowa wykonana jest z tworzywa sztucznego, a wymiary czujnika to około 10,3 × 15,9 × 27,8 mm, z zakresem temperatur pracy od -25°C do +80°C. Urządzenie charakteryzuje się prostą konstrukcją z połączeniami wtykowymi płaskimi (4,8 × 0,8 mm), co ułatwia montaż w różnorodnych aplikacjach.
- Producent Tracon
Wyłącznik krańcowy jednopozycyjny
- Szerokość czujnika 103 mm
- Wysokość czujnika 15.9 mm
- Długość czujnika 27.8 mm
- Znamionowy prąd pracy Ie dla AC-15 2 A
- Znamionowy prąd pracy Ie dla DC-13 0.3 A
- Funkcja przełączająca Styk zwłoczny
- Wyjście elektroniczne Tak
- Wymuszone rozłączanie Nie
- Liczba styków pomocniczych bezpieczeństwa 2
- Liczba styków przełącznych 1
- Materiał obudowy Tworzywo sztuczne
- Rodzaj elementu wykonawczego Inne
- Ze wskaźnikiem stanu Nie
- Temperatura otoczenia w warunkach pracy -25 - 55 °C
- Stopień ochrony (IP) IP00
Do pobrania
Wszystkie obrazy



















